Beste clubleden en donateurs,
Op veler verzoek wordt er weer een sleutel en leuterdag georganiseerd!
Deze zal weer worden gehouden op zaterdag 1 november in Apeldoorn.
De aanvangstijd mag u stellen op 10.00u
voor velen onderhand een bekend adres dus vermoedelijk behoeft de tom tom dus niet opnieuw te worden ingesteld.
Voor de nieuwe leden/donateurs en geïnteresseerden en leden die het adres niet meer weten door de olie en benzinedampen is het navolgende;
Westenenkerweg 68
7335 CZ Apeldoorn
In geval van nood als de tom tom het begeeft ben ik bereikbaar op 06-53222572.
Voor leden is de dag gratis en voor niet leden wordt er een bijdrage gevraagd van €5,00 .
Voor koffie, soep en broodjes wordt die dag gezorgd dus je behoeft niet je broodtrommel en veldfles mee te nemen.
Niet leden die die dag besluiten om lid te worden krijgen de bijdrage weer retour na aanmelden bij de DAF YA126 Club.
Dus niet na 1 of 2 maanden na de sleuteldag voor de slimmerikken onder ons. 😂
Wil je wat specifieke dingen van de daf ya 126 behandeld zien worden geef het dan even aan dan kunnen wij eventueel wat werkstukken regelen of alvast voorbereiden.
Het is in sommige gevallen toegestaan om aan je eigen voertuig te sleutelen maar zorg er wel voor dat je je eigen onderdelen mee neemt en er zorg voor draagt dat je voertuig weer in de namiddag op eigen kracht de terug reis kan aanvaarden, en dus niet met een dieplader.
We zullen niet overal een antwoord op hebben maar met z'n allen komen we een heel eind.
I.v.m. met de inkoop van de soepen en broodjes graag even van te voren aanmelden.
Voor degene die een speciaal dieet hebben hier gaarne zelf even rekenschap mee houden
Je kunt je rechtstreeks aanmelden bij mij op Dit e-mailadres wordt beveiligd tegen spambots. JavaScript dient ingeschakeld te zijn om het te bekijken..
let wel. ruimte is niet onbeperkt dus er is een maximum van ca.30 personen want er moet wel wat geknutseld kunnen worden 😜.
We hopen jullie allen weer te mogen begroeten op zaterdag 1 november in Apeldoorn.
Met vriendelijke groet,
Ronald Schaufeli
Ingezonden bericht, namens de secretaris FEHAC aan de secretaris DYC en alle leden; wellicht niet geheel ter zake op het gebied van onze DAF's maar zeker een interessante ontwikkeling als u er meer groen op na houd.
Geachte club bestuur,
De FEHAC, dé belangenbehartiger van het mobiele erfgoed, is namens alle bezitters van klassieke voertuigen in Nederland actief in Den Haag met een intensieve lobby. We willen iedereen laten weten dat het mobiel erfgoed van grote cultuur historische waarde is, behouden moet blijven en uiteraard moet kunnen blijven rijden.
Daarom blijven wij de politieke partijen van onze standpunten voorzien. Dat doen wij de komende weken waarbij we er rekening mee houden dat het zittende Kabinet de stemmingen over de rijksbegroting overlaat aan de nieuwe Kamer die in oktober zal worden gekozen. We zullen ervoor zorgen dat onze argumenten bij de juiste toekomstige Kamerleden terechtkomen. Dat mag u van de FEHAC, als dé belangenbehartiger voor het mobiele erfgoed, verwachten!
Nu de verkiezingen naderen is het van het grootste belang dat de klassieker bezitters, samen met de FEHAC, hun stem laten horen.
Wilt u daarom deze brief over Motorrijtuigenbelasting in de miljoenen nota (PDF) doorsturen naar uw clubleden?
Al vast hartelijk dank
Beste leden,

Het evenementen seizoen gaat weer van start!
Een aantal leden van de club zitten gezamenlijk in een loods in Oosterblokker. Aan de koffietafel kwamen we op het idee om binnenkort een extra sleuteldag te organiseren. Dit voor de auto’s die niet goed de winterstalling zijn uit gekomen, maar straks wel mee (willen) gaan naar de evenementen.
Deze extra sleuteldag willen we gaan organiseren op zaterdag 29 maart as. vanaf 09:30u.
Neem je project mee en we komen er, gezamenlijk als club, vast en zeker uit. Ook is er ruimte om lekker rond te kijken en een babbeltje te maken!
Aanmelden kan door een mailtje te sturen naar Dit e-mailadres wordt beveiligd tegen spambots. JavaScript dient ingeschakeld te zijn om het te bekijken. of Dit e-mailadres wordt beveiligd tegen spambots. JavaScript dient ingeschakeld te zijn om het te bekijken., of natuurlijk antwoorden op de mail die je van ons hebt gehad!
Voor de middag zorgen we voor wat lekkers!
Met vriendelijke groet,
Max van Zweden
Activiteitencommissie DYC
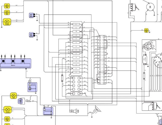
Mede 126 liefhebber en clublid Laurens Huisman heeft het elektrisch schema onder handen genomen ten bate van een betere leesbaarheid. Deze stelt hij belangeloos beschikbaar aan iedere liefhebber. U vind het schema onderaan de downloadsectie over de 126.
Klik hier om naar de downloadsectie te gaan!
Beste leden,
Als het goed is vinden jullie het inschrijfformulier voor het Paasweekend op de Arnhemse Heide in jullie mailbox.
Ook vinden jullie in de bijlage de notulen en de agenda voor de algemene ledenvergadering.
Voor het Paasweekend zijn we op zoek naar tenten, tafels en koelkasten. Wie kan ons hierbij helpen?
Verder willen we jullie eraan herinneren om de contributie voor kalenderjaar 2025 nog te voldoen, mocht dat nog niet gedaan zijn.
Met vriendelijke groet,
Max van Zweden / Bert Memelink
Activiteitencommissie DYC
Laatste nieuws
- Sleutel- en leuterdag 2025 te Apeldoorn
- FEHAC Persbericht MRB september 2025
- Nieuwe versie elektrisch schema 126
- Voorjaarssleutel- en leuterdag '25
- Paasweekend 2025
- 20-21-22 september '24: het DYC Genieweekend !!!
- Agenda tussenstand 2024
- Save the date - 25 jaar lustrum!
- Uitvaartfilm Rob van der Zwaard
- In Memoriam



